Microstructure Gallery
Explore our collection of high-quality microstructure images from various materials, treatments, and preparation techniques.
Showing 1-24 of 73 images
Page 1 of 4
1018 Steel
1018 Steel, furnace cooled, etched with 2% nital, DIC
DIC

FC

1018Q-400-2

1018WQ
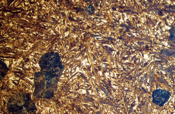
1095 Steel
1095 Steel, furnace cooled, etched with 2% nital, 400X
400X
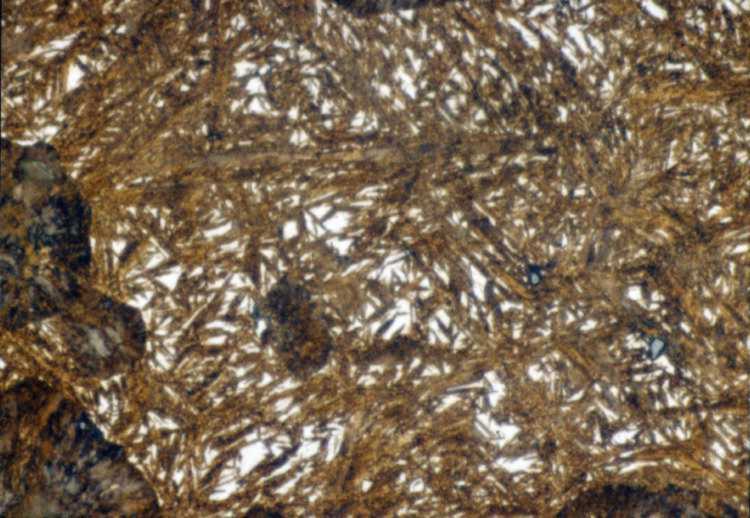
1095 Steel
1095 Steel, etched with Vilellas, 1000X
1000X

fc

1095Q-1000-2

1095wq

Aluminum
Aluminum

300-caststainless
stainless steel
stainless steel, etched with Kallings no. 2, 400X, DIC
400XDIC
Stainless steel
Stainless steel, etched with Kallings no. 2, 400X
400X

Aluminum
Aluminum
brass
brass, 200X
200X

Brass
Brass, 200X, etched
200Xetched

aluminum
aluminum
Aluminum
Aluminum, 200X, sputter coated
200Xsputter coated
Aluminum
Aluminum, 400X
400X

Aluminum
Aluminum
Aluminum
Aluminum, etched with Kellers, 400X
400X

Aluminum
Aluminum

Aluminum
Aluminum

Aluminum
Aluminum, DF
DF